延安站-延安NISO,NIS,NISF端吸離心泵-南方泵業-西安淮安速佩医疗器械有限责任公司

        西安淮安速佩医疗器械有限责任公司

        您暫無未讀詢盤信息!
        産品中心
        産品中心
        産品中心

        産品中心

        詳情内容
        content details

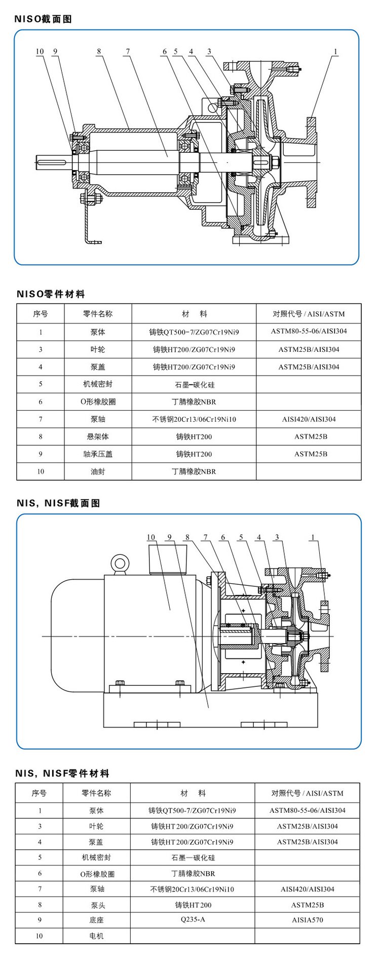
        産品名稱:NISO,NIS,NISF端吸離心泵



        技術參數                                                                                             

        流量範圍:3m³/h~1200m³/h     揚程範圍:4m~160m
        環境溫度:-15℃~+110℃
        應用範圍                                                                                           
        工業系統、供水系統、冷卻和空調系統、系統增壓、消防、噴淋系統



        産品說明                                                                                        
        非自吸單級卧式端吸離心泵
        軸向入口和徑向出口
        采用後拉式結構,維修無須拆除泵體及管路
        性能及優點
        運行平穩、結構穩固低噪音維修方便



        在線留言

        LEAVE A MESSAGE

        • 電    話 電 話:
        •  郵    箱 郵 箱: admin@yulehu.cc
        • 地      址 地 址: 西安市華南城B區2街7棟3号(華南城6号門第 一排🧜🏼‍♂️秦東銀⛹🏻‍♀️行東50米)
        Copyright © Copyright 西安淮安速佩医疗器械有限责任公司 版權所有   備案号:陝ICP備2020012860号-1   城市分站:  陝西  西安  甘肅   技術支持:   網站地圖 RSS XML   萬家燈火