您暫無未讀詢盤信息!産品名稱:CDL,CDLF輕型立式多級離心泵

技術參數:
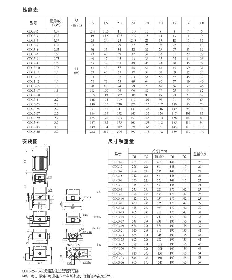
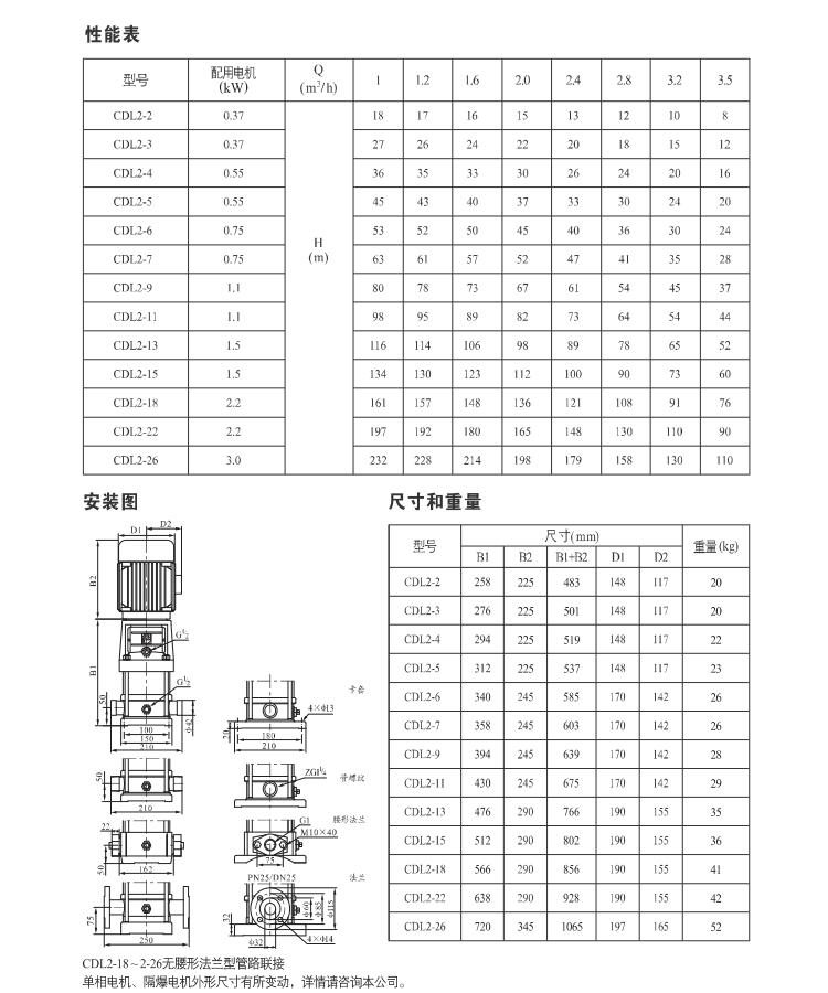
流量範圍: 0.4-240(m³/h)
揚程範圍:4m-305m
環境溫度:-15~105℃
應用範圍:
水廠過濾與輸送、二次供水、流程水系統、高壓沖洗系統😺、消防系統、鍋爐給水、空調系統、超濾系統
應用,供水工業增壓暖通水處理等。
産品說明:
非自吸立式多級離心泵,電機軸通過聯軸器直接與泵軸聯接葉輪導葉采用不鏽鋼闆沖壓焊接或不鏽鋼精密鑄造制成
泵進出水口在泵底同一直線上(可配IEC或NEMA電機)

高效節能,結構緊湊
整體便拆密封,維修方便
管道式安裝,安裝空間小







如需查詢詳細數據請緻電


電話:
郵箱:admin@yulehu.cc
地址:西安市華南城B區2街7棟3号(華南城6号門第 一排秦東銀行🙂↔️東50米)


















當前位置:

熱門推薦


推薦新聞
在線留言
詳情内容
電 話:
郵 箱: admin@yulehu.cc
地 址: 西安市華南城B區2街7棟3号(華南城6号門第 一排秦東銀行東50米)
